3A110 3A120 series Airtac type M5 1/8" double solenoid 3 way 2 position air control valve
Order code
Symbol

Technical parameter
Model
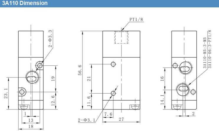
3A110-M5
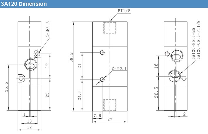
3A120-M5
3A110-06
3A120-06
Fluid
Air
Acting
Exterior control
Valve type
3/2 way
Orifice size
5.5mm2
12mm2
Lubrication
No required
Port size
In=out=M5
In=out=G1/8
Protective class
IP65
Pressure range
0.15-0.8MPa
Proof pressure
1.2MPa
Material of body
Aluminum Alloy
Temperature
-5℃~60℃
Response speed
<0.05s
Dimension
Feature
.3A Series 3 port 2 position normal closed air control valve:3A100, 3A200, 3A300 series single solenoid ,double solenoid flow control valve.
. 3A110, 3A120 series air operated valve.
. Exterior control, 3 port 2 position
. Port size: M5X0.8, 1/8".




