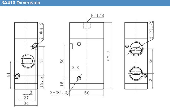
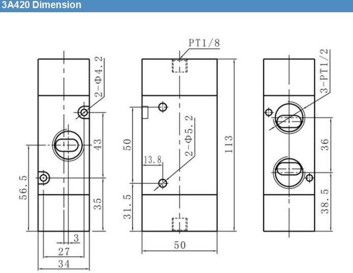
3A410-15 3A420-15 Series 1/2" single solenoid idle air control valve
Order code
Symbol

Technical parameter
Model
3A410-15
3A420-15
Fluid
Air
Acting
Exterior control
Valve type
3/2 way
Orifice size
50mm2
Lubrication
No required
Port size
In=out=G1/2
Protective class
IP65
Pressure range
0.15-0.8MPa
Proof pressure
1.2MPa
Material of body
Aluminum Alloy
Temperature
-5℃~60℃
Response speed
<0.05s
Dimension
Feature
.Exterior control. Structure in sliding column mode:large flow, sensitive reaction;
.Double air control 5/2 way valves have memory function;
. Internal hole adopts special processing technology which has
little attrition friction, low start pressure and long service life;
. No need to add oil for lubrication;
. Integrate with the manifold to save installation space.




